Pro-X 70200
Universal Oil Primary Control

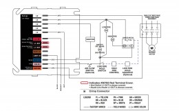
Pro-X 70200 Control:
• Replaces virtually any oil primary control
• Pinpoints cause of burner faults for fast, accurate repairs
• Provides built-in alarm contacts
Features & Benefits:
• Last Fault Alert – Displays fault reason, even if homeowner resets control
• Larger LCD Display – For improved visibility
• Improved Menu Options – Simplifies setup and navigation
• Recessed Wiring Terminals – Added wiring space in j-box
• Communications Capable – Remote monitoring and alerts
• Low Voltage Blocked Vent Contacts – Allows for easy connections
|
Power Input (Red/White Wire) |
120 vac, 60 Hz, 9 VA |
|
|
Limit Circuit Input (Black Wire) |
120vac, 60 Hz | |
|
Motor Load
|
10 FLA / 60 LRA (reduce by valve load) | |
|
Ignitor Load
|
120 vac, 60 Hz, 500 VA | |
|
Valve Load
|
120 vac, 60 Hz, 2A | |
|
Vent Load
|
0.1 Amp | |
|
Line Heater
|
1 Amp | |
|
Alarm Contacts (dry contacts)
|
24V, AC/DC, 2 Amps | |
|
Operating Temperature Limits
|
+32°F to + 140°F | |
|
Storage Temperature Limits
|
-40°F to +185°F | |
|
Thermostat Anticipator Current
|
0.1 Amp, AC | |
|
Agencies
|
UL Recognized (US & Canada) | |
Introduction
<
Chapter 1: Installation
Chapter 2: Set Up
Chapter 3: Start Up
Chapter 4: Status Icons & Screen Messages
Chapter 5: Fault History
Chapter 6: Trouble Shooting


